Купить автоматический краскораспылитель можно в нашем специализированном центре, где доступны подбор оборудования, интеграция в производственные линии и техническая поддержка для стабильной работы.
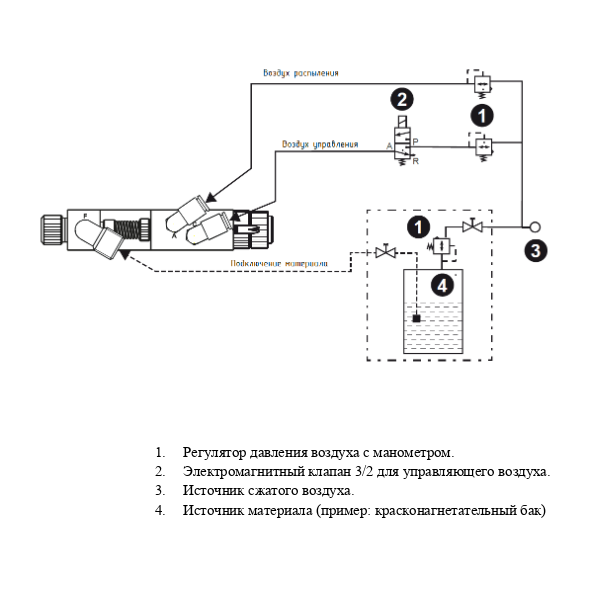
Автоматические краскораспылители применяются для равномерного нанесения покрытий, точного дозирования материалов и повышения эффективности производственных процессов. Они используются как отдельные элементы или в составе автоматизированных окрасочных систем.
Выбор зависит от типа лакокрасочных материалов, технологии нанесения и требований к производительности. Важно учитывать систему распыления, параметры подачи материала и возможность интеграции в автоматическую линию для стабильной работы.
Автоматические системы обеспечивают высокую повторяемость результата, равномерное нанесение и снижение расхода лакокрасочных материалов. Они интегрируются в производственные линии, что позволяет минимизировать влияние человеческого фактора.
Автоматические краскораспылители — это профессиональные устройства для нанесения покрытий в автоматическом режиме без участия оператора. Они используются в составе роботизированных систем и окрасочных линий на производстве, обеспечивая стабильное качество и высокую производительность.
|
Нужна консультация или не можете выбрать? Задайте нам любой вопрос – мы знаем все о том, что продаем!
|
Задать вопрос
|

